Модуль ТУ430 предназначен для вывода до 32 управляющих команд на исполнительные механизмы коммутационных аппаратов и другие элементы управления оборудования подстанции.
Модуль может управлять шестнадцатью объектами, на каждый из которых формируется две импульсные команды: «Включить» и «Отключить».
Связь с верхним уровнем осуществляется по CAN-шине через контроллеры УСПИ «Исеть 2» и/или через асинхронные порты RS-485 в протоколе МЭК 60870-5-101.
Модуль телеуправления ТУ430 конструктивно представляет собой одноплатный модуль в пластмассовом корпусе размерами 185(Д) х 128(Ш) х 58(В) мм с прозрачной верхней крышкой. Корпус имеет крепление для установки на DIN35-рейку.
Внешний вид модуля ТУ430
Характеристики электропитания модуля:
Номинальное напряжения питания – 24В постоянного тока;
Ток, потребляемый модулем в рабочем режиме - 17 мА.
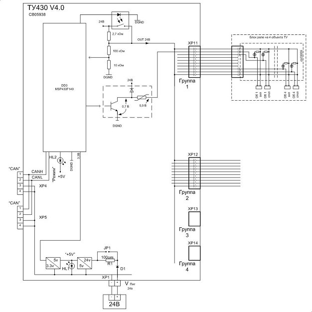
Два проходных разъема RJ11 CAN-шины с разводкой контактов:
CANH
1
CANL
2
GND
3, 4
Порт USB - USB (у модулей v.6 и выше) - предназначен для обновления встроенного ПО, конфигурирования и возможности логирования процесса обновления ПО. Конфигурация записывается в обычном текстовом файле и имеет приоритет перед конфигурированием по CAN-шине. При работе через USB интерфейс требуется подключение основного питания модуля.
Асинхронные порты COM 1/2 - 2 RS-485 интерфейса для передачи данных в протоколе МЭК 60870-5-101 (у модулей v.6 и выше);
Соответствие контактов на разъеме COM1/2
Используемые настройки для обмена в протоколе МЭК 60870-5-101:
Скорость 600-115200 кбод;
Контроль четности - четная;
1 стоп бит;
Небалансный;
Адрес RTU/ASDU - 1 байт;
Адрес объекта – 2 байта;
Причина передачи – 1 байт;
Адрес RTU/ASDU одинаков на обоих интерфейсах и равен по умолчанию адресу на CAN-шине +1. Есть возможность задать адрес в конфигурации от 1 до 254, при этом снимается программное ограничение на количество модулей на шине в 8 штук, и остается только аппаратное для RS-485 (до 32 устройств).
Для осуществления обмена по протоколу МЭК 60870-5-101 необходимо терминирование линии на 2х концах. Со стороны модуля терминирование осуществляется установкой перемычек JP1 и JP2.
Индикатор режима работы модуля (в рабочем состоянии мигает с частотой 1 Гц);
Индикатор питания модуля 5 В (в рабочем состоянии горит);
2-pin разъем для подключения питания 24 В (подключение через вилку Wiecon типа 8113 B/2);
Клеммник "Ключ ТУ" для подключения контактов внешнего ключа блокировки ТУ (или перемычки). При установленном ключе, к разъемам IDC-10F (Группа 1-4), подключается питание для блоков реле телеуправления (ТУ разрешено).
4 или 6-pin разъем для первичного программирования модуля;
2-pin разъем JP1 для управления пусковым током модуля при включении питания (у модулей v. 4.1 и ниже);
У модулей v. 4.1 и ниже при включении питания ток, потребляемый модулем, существенно выше тока потребления в рабочем режиме, что может приводить к блокировке блока питания модуля до выхода на рабочий режим. УСПИ поставляется с установленной перемычкой JP1 – номинальный режим УСПИ на больших пусковых токах. Если при эксплуатации УСПИ возникает зависание блоков питания при запуске, рекомендуется удалить перемычки модулей, запитанных от этого блока питания.
Максимальное количество модулей, подключаемых к контроллеру по CAN-шине – 8 модулей. Модули ТС430 на общей CAN-шине должны иметь разные адреса.
Выходы модуля сгруппированы по 8 управляющих команд в разъёмах типа IDC-10F, обозначенных надписями: «Группа 1» - «Группа 4» и гибким кабелем соединяются с блоками реле на 4 объекта ТУ.
Настройка модуля ТУ430 приведена в документе «Аппаратура контролируемого пункта «Исеть» (Конфигурирование и настройка КФИЯ.426485.001.И2).
Схема подключения модулей ТУ430 к контроллеру УСПИ и блоков реле телеуправления к модулю ТУ430