УСПИ «Исеть-2». Руководство по эксплуатации
×
Меню

Модуль телеуправления «МТУ-4 РК»

Конструктивно модуль телеуправления «МТУ-4 РК» представляет собой блок из восьми реле с закреплённым на нём электронным узлом и клеммами (по 3 разрывных клеммы Wieland (или Klemsan) типа WK 4/TKM /U (или AVK 4A 304380) и 2 проходных клеммы Wieland (или Klemsan) типа WK 4 TKS D/U (или AVK 4A 304390) на каждую пару реле). Характеристики клемм приведены в разделе описания модулей ввода дискретных сигналов.
Реле устанавливаются на плату электронного узла. Для управления объектом телеуправления используется 2 нормально-разомкнутых контакта (с нагрузочной способностью 250B, 8A) с общим проводом. Реле "ОТКЛ" дополнительно имеет гальванически развязанный контакт, который можно сконфигурировать в положения нормально-замкнутое или нормально-разомкнутое с помощью установки перемычек JP1 – JP4. Электронный узел с наружной стороны платы закрыт крышкой.
 
Модуль «МТУ-4 РК» устанавливается на DIN35-рейку, имеет размеры 121(Д)х80(Ш)х67(В) мм (с клеммами Wieland) и 123(Д)х90(Ш)х65(В) мм (с клеммами Klemsan).
 
Внешний вид модуля телеуправления «МТУ-4 РК» с разрывными клеммами в выходных цепях модуля
 
Разъем для подключения модуля к объединенной шине «МТС-МТУ» (к шине МТУ для «Синком-ДК» версии 1) расположен на длинном торце электронного узла. При описании конфигурации контроллера УСПИ каждому модулю «МТУ-4 РК» на шине МТУ присваивается свой логический номер. Для привязки логических адресов конкретным модулям «МТУ-4 РК» используются серийные номера модулей, которые прошиты в энергонезависимой памяти модуля и указаны на его этикетке.
Модули «МТУ-4 РК» объединяются в магистраль, образуя кластер телеуправления. Размер кластера ограничен. К контроллеру можно подключить не более шестнадцати модулей «МТУ-4 РК» (до 25 модулей  «МТУ-4» v.4 и выше с использованием модуля «РШ-1»).
Модуль «МТУ-4 РК» формирует команды управления на смену состояния объекта. Один модуль может управлять четырьмя объектами, на каждый объект формируется две импульсные команды - «Включить» и «Отключить». На длинном торце электронного узла «МТУ-4 РК» размещается наклейка, содержащая нумерацию каналов управления.
Время удержания реле в активном состоянии при исполнении команд по умолчанию - 2 сек. Задать другое время возможно в конфигурации канала ТУ контроллера УСПИ.
 
На электронном узле, на стороне, обращённой к клеммам, размещены светодиодные индикаторы: 8 индикаторов состояния реле и индикатор режима работы. Алгоритм работы индикатора режима модулей «МТУ-4 РК» и «МТУ-4» идентичны. На тыльной стороне электронного узла рядом с реле «ТУ ОТКЛ» предусмотрены разъемы для установки перемычек JP1, JP2, JP3, JP4, предназначенных для подключения цепей АПВ. При установке перемычки в положении 1-2 в цепях АПВ используется нормально замкнутый контакт реле «ТУ ОТКЛ», а в положении 2-3 – нормально разомкнутый контакт. Если в проектной документации на УСПИ не оговаривается иное, модули «МТУ-4 РК» поставляются с перемычками JP1 – JP4, установленными в положение 2-3.
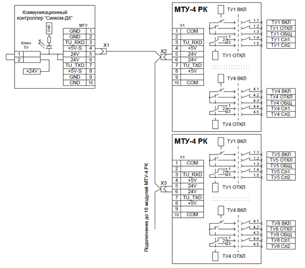
Для подключения модулей «МТУ-4 РК» к контроллеру используется магистральный 10 жильный шлейф с разъемами IDC-10F.
 
Схема подключения модуля «МТУ-4.РК» к шине МТС-МТУ на «Синком-ДК2», «Синком-Д2», «Синком-ДКП»
 
Схема подключения модуля «МТУ-4.РК» к шине МТУ на «Синком-ДК» (версии 1)