Модуль ТС430 предназначен для сбора информации о состоянии до 32 дискретных объектов с датчиков ТС и передачи их по CAN-шине на контроллеры УСПИ «Исеть 2» и/или обмена информацией с верхним уровнем через асинхронный порт RS-485 в протоколе МЭК 60870-5-101.
Модуль ТС430 рассчитан для подключения 32 одноэлементных или 16 двухэлементных датчиков ТС типа «сухой контакт» с контролируемым напряжением питания 24В постоянного тока, которое подается на модуль от дополнительного блока питания через вилку Wiecon типа 8113 B/2.
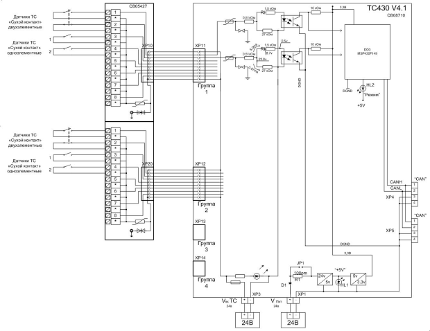
Необходимо учитывать, что двухпозиционной парой могут быть входы модуля начинающиеся только с нечётного. При этом нечетный контакт - это блок-контакт объекта "ОТКЛ", а четный - это блок-контакт объекта "ВКЛ".
Модуль ТС430 конструктивно представляет собой одноплатный модуль в пластмассовом корпусе размерами 185(Д) х 128(Ш) х 58(В) мм с прозрачной верхней крышкой. Корпус имеет крепление для установки на DIN35-рейку.
Внешний вид модуля ТС430
Характеристики электропитания модуля:
Номинальное напряжения питания – 24В постоянного тока;
Ток, потребляемый модулем в рабочем режиме - 20 мА;
Потребляемая мощность — не более 0,5 Вт.
Питание внешних цепей
Напряжение питания - 24 В постоянного тока;
Ток потребления входных цепей модуля - не более 200 мА;
Два проходных разъема RJ11 CAN-шины с разводкой контактов:
CANH
1
CANL
2
GND
3, 4
Порт USB - USB (у модулей v.6 и выше) - предназначен для обновления встроенного ПО, конфигурирования и возможности логирования процесса обновления ПО. Конфигурация записывается в обычном текстовом файле и имеет приоритет перед конфигурированием по CAN-шине. При работе через USB интерфейс требуется подключение основного питания модуля.
Асинхронные порты COM 1/2 - 2 RS-485 интерфейса для передачи данных в протоколе МЭК 60870-5-101 (у модулей v.6 и выше);
Соответствие контактов на разъеме COM1/2
Используемые настройки для обмена в протоколе МЭК 60870-5-101:
Скорость 600-115200 кбод;
Контроль четности - четная;
1 стоп бит;
Небалансный;
Адрес RTU/ASDU - 1 байт;
Адрес объекта – 2 байта;
Причина передачи – 1 байт;
Адрес RTU/ASDU одинаков на обоих интерфейсах и равен по умолчанию адресу на CAN-шине +1. Есть возможность задать адрес в конфигурации от 1 до 254, при этом снимается программное ограничение на количество модулей на шине в 8 штук, и остается только аппаратное для RS-485 (до 32 устройств).
Для осуществления обмена по протоколу МЭК 60870-5-101 необходимо терминирование линии на 2х концах. Со стороны модуля терминирование осуществляется установкой перемычек JP1 и JP2.
Светодиодные индикаторы:
Индикатор режима работы модуля (в рабочем состоянии мигает с частотой 1 Гц);
Индикатор питания входных цепей 24 В (в рабочем состоянии горит);
Индикатор питания модуля 5 В (в рабочем состоянии горит).
Два 2-pin разъема для подключения питания 24 В (подключение через вилку Wiecon типа 8113 B/2):
ХР3 питание входных цепей модуля;
ХР1 питание модуля.
4 или 6-pin разъем для первичного программирования модуля;
2-pin разъем JP1 для управления пусковым током модуля при включении питания (у модулей v. 4.1 и ниже);
У модулей v. 4.1 и ниже, при включении питания ток, потребляемый модулем, существенно выше тока потребления в рабочем режиме, что может приводить к блокировке блока питания модуля до выхода на рабочий режим. УСПИ поставлялся с установленной перемычкой JP1 – номинальный режим УСПИ на больших пусковых токах. Если при эксплуатации УСПИ возникает зависание блоков питания при запуске, рекомендуется удалить перемычки модулей, запитанных от этого блока питания.
Максимальное количество модулей, подключаемых к контроллеру по CAN-шине – 8 модулей. Модули ТС430 на общей CAN-шине должны иметь разные адреса.
Входы модуля сгруппированы по 8 одноэлементных ТС в разъёмах типа IDC-10F, обозначенных надписями: «Группа 1» - «Группа 4» и гибким кабелем соединяются с клеммником ТС /16 входов или модулем «ТСВ6».
Схема подключения модулей ТС430 к контроллеру УСПИ и датчиков ТС к модулю ТС430